您好,欢迎光临减速机专家——"东宸机械"官方网站!
加入收藏 | 在线留言
产品中心
联系我们
  • 总部地址:深圳市宝安区西乡鹤洲恒丰工业城C6栋12楼1202E
    电话:0755-27933223
    27932321/27932569
  • 分部地址:汕头市龙湖区高新区科技西路14号金霖大厦6楼
    电话:0754-87225245
    0754-87225246

MAB

发布时间:2017/7/25 16:02:39 阅读量:1102

详细介绍

产品特点 / Product characteristic

MAB减速机-东宸机械

产品性能 / Product performance

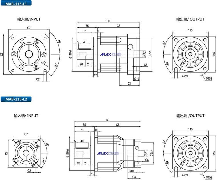
外形尺寸图 / Outline Dimension sheet

我要分享:
0
采购:MAB
* 表示必填
* 联系人: 请填写您的真实姓名
公司名称: 请填写您的公司名称
联系电话:
* 手机号码: 请填写您的联系方式
电子邮件:
联系地址:
* 采购意向描述:

请填写采购的产品数量和产品描述,方便我们进行统一备货。

上一条:DX 超薄系列
下一条:MPF/MPGE